1Department of Conservative Dentistry, Dental Center, Chung Ang University Hospital, Korea.
2Department of Conservative Dentistry, College of Dentistry, Chosun University, Korea.
Copyright © 2009 The Korean Academy of Conservative Dentistry
Material, composition and manufacturer
All information provided by manufacturers.
BPDM: bisdimethacrylate, HEMA: Hydroxyethylmethacrylate, UDMA: urethane dimethacrylate,
Bis-GMA: Bisphenol-glycidyl methacrylate.
Group classification
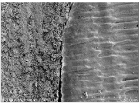
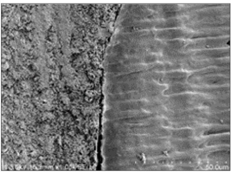
Microtensile bond strength (MPa) for each group
Superscripts of the same letter mean statistically no significant difference (p < 0.05, one-way ANOVA and Tukey's test)
All information provided by manufacturers. BPDM: bisdimethacrylate, HEMA: Hydroxyethylmethacrylate, UDMA: urethane dimethacrylate, Bis-GMA: Bisphenol-glycidyl methacrylate.
Superscripts of the same letter mean statistically no significant difference (p < 0.05, one-way ANOVA and Tukey's test)
